一个op amp.是一个放大器。但运算放大器也可以执行求和操作。我们可以设计一个运算放大器电路以组合输入信号的数量,并产生单个输出作为加权输入信号的加权之和。
求和放大器基本上是运算放大器电路,可以将输入信号的数量与作为所施加的输入的加权和组合到一个输出。
这求和放大器是一种变体反相放大器。在反相放大器中,只有一个电压应用于反相输入的信号,如下所示,
这个简单反相放大器很容易被修改为求和放大器如果我们与现有输入端子并联连接多个输入端子,如下所示。
这里,n个输入端子并联连接。这里,在电路中,运算放大器的非反相终端接地,因此该终端的电位为零。作为op amp.被认为是理想的运算余量,反相终端的电位也为零。
所以电位在节点1,也为零。从电路中,还可以清楚,电流I是输入端子的电流之和。
所以,
现在,在理想的运算放大器的情况下,反相和非反相终端处的电流为零。所以,按照Kirchhoff当前法律,整个输入电流通过反馈路径反抗R.F。这意味着,
从,等式(i)和(ii),我们得到,
这表示输出电压V0.是输入电压的加权之和。
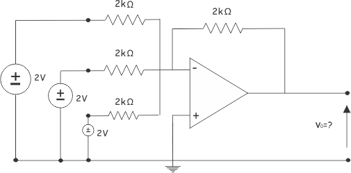
求和放大器的示例
让我们计算输出电压3个输入夏季或求和放大器,电路如下所示,
这里,根据求和放大器的等式,







