AS名称暗示,本定理的主要概念,其基于另一个等效元素的替换一个元素。替代定理为我们提供了一些特殊的电路行为见解。本定理还用于证明其他几个定理。
替代定理陈述
替代定理指出,如果网络中的一个元素被a替换电压源谁的电压在任何时间的时刻等于上一个网络中的元素上的电压,那么如果网络中的一个元素被替换为a的元素,则网络的其余部分中的初始条件将被扰乱或交替目前的来源谁的当前的在任何时间的时刻等于通过先前网络中的元素的电流,那么网络其余部分中的初始条件将被扰乱。
替代定理解释
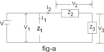
让我们拍摄电路,如图所示,
让,V提供电压和z1,z.2和Z.3.是不同的电路阻抗。V.1,V.2和V.3.是z的电压1,z.2和Z.3.分别阻抗,我是所提供的电流1部分流过z1阻抗,而我2部分流过z2和Z.3.阻抗。
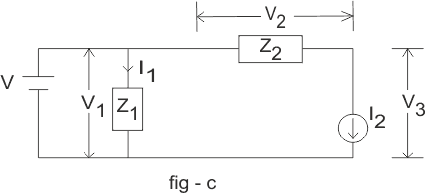
现在,如果我们取代z3.阻抗V.3.电压源如图2所示或与我一起2目前的来源如图所示替代定理通过其他阻抗和源的所有初始条件都将保持不变。
IE。 -当前的通过来源是我,电压z.1阻抗将是v1,电流通过z2将是我2等等。
替代定理的例子
为了更高效和清晰的理解,让我们通过一个简单的实际例子:
让我们拍摄电路,如图D所示。
按照电压划分规则电压超过3Ω和2Ω抵抗性是
如果我们用a替换3Ω电阻电压源如图6所示,如图2所示
根据欧姆的法律通过电路跨越2Ω电阻和电流的电压是
或者,如果我们用电流源2a替换3Ω电阻,如图2所示,那么
电压横跨2Ω是v2Ω= 10 - 3×2 = 4 V和2a的电压目前的来源是V.2A= 10 - 4 = 6 v
我们可以看到2Ω上的电压抵抗性和当前的通过电路未置换I.E电路的所有初始条件都完好无损。












