在本文中,我们将讨论各种启动三相感应电动机的方法.在我们讨论这个问题之前,很有必要回顾一下扭矩滑移特性的三相感应电动机如下图所示。
从转矩转差特性可以看出,在转差等于1时,我们有一些正的启动转矩,因此我们可以说三相异步电动机是自起动的,那么为什么需要三相异步电动机的起动器呢?答案很简单。
如果我们观察三相感应电动机启动时的等效电路,我们可以看到电动机的行为像一个电气变压器短路次级绕组,因为在开始时,转子是静止的,并且由于旋转而导致的后部EMF未开发,因此电机绘制高启动当前的.所以使用启动器的原因很清楚。我们使用起动器是为了限制高起动电流。我们对这两种类型的三相感应电动机使用不同的起动器。让我们先来考虑一下松鼠笼感应电动机类型.为了选择一个启动方法鼠笼式电动机,我们有三个主要考虑:
(一)一种特定类型的启动器是根据电源线的功率容量来选择的。
(b)根据电机的尺寸和设计参数选择起动器的类型。
(c)第三个考虑因素是电机负载的类型(即负载可能是重的或轻的)。
我们将鼠笼式感应电机的启动方法分为两种类型的电压。这两种类型是:
(我)完整的电压从方法和
(ii)采用降低电压的方法启动鼠笼式感应电动机。
现在让我们详细讨论每一种方法。
松鼠笼感应电动机的全电压起动方法
在这种类型中,我们只有一种启动方法。
直接在线启动方法
这种方法也称为DOL方法用于启动三相鼠笼式感应电动机.在这种方法中,我们直接将三相鼠笼式感应电动机的定子接通电源。电机在起动时在极短的起动时间内抽出非常高的起动电流(大约是满载电流的5到7倍)。电动机所产生的电流大小取决于它的设计和大小。但由于鼠笼式感应电机结构坚固,所以这样高的电流值不会对电机造成伤害。
如此高的电流值会引起突然的不良反应电压降输入电源电压。这种电压突然下降的一个活生生的例子是我们家里的电灯泡和电灯泡在冰箱马达启动的瞬间变暗。现在让我们推导直接在线起动机的全负载转矩的启动转矩表达式。我们有不同的量,包含在启动力矩的表达式中,如下所示:我们定义T年代的起动转矩
Tf满载转矩
我f每相转子电流在满负荷
我年代根据开始时的相位转子电流
年代f满载滑差
年代年代当开始滑
R2作为转子抵抗
W年代为电机的同步速度
现在我们可以直接写出感应电动机转矩作为
由上式可得启动转矩与满载转矩之比为
在这里我们假设转子电阻是恒定的,它不随转子电流的频率变化。
采用降低电压的方法启动鼠笼式感应电动机
在降低电压的方法中,我们有三种不同类型的启动方法,这些方法写在下面:
- 定子电阻起动法
- 自动变压器凝视方法
- 星三角起动法
现在让我们详细讨论每一种方法。
定子电阻起动方法
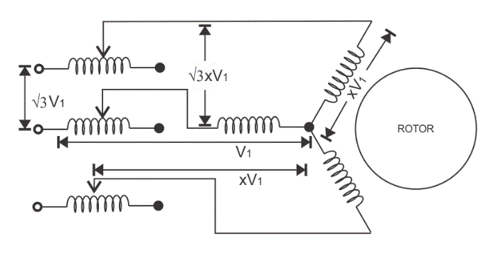
下面给出的是开始时的图电阻器方法:
在这种方法中,我们在如图所示的每一阶段(在电机终端和电源之间)添加电阻器或电抗器。因此,通过增加电阻器,我们可以控制电源电压。在启动时,只施加电源电压的一小部分电压(x)感应电动机.x的值总是小于1。由于电压下降,启动转矩也降低了。我们将推导出的表达式起动转矩的分数x为了显示电压的变化起动转矩与x的值。随着汽车加速反应器或电阻是减少从电路最后电阻短路的,当电机达到其操作速度。现在我们用定子电阻起动法的全负载转矩推导出起动转矩的表达式。我们有不同的量,包含在启动力矩的表达式中,写在下面,我们定义T年代的起动转矩
Tf满载转矩
我f每相转子电流在满负荷
我年代根据开始时的相位转子电流
年代f满载滑差
年代年代当开始滑
R2作为转子抵抗
W年代为电机的同步速度
现在我们可以直接写出感应电动机的转矩作为
由上式可得启动转矩与满载转矩之比为
在这里我们假设转子电阻是恒定的,它不随转子电流的频率变化。由上式可以得到以满载转矩表示的起动转矩的表达式。现在在开始的时候,每相电压降低到xV1,每相启动电流也减少到xi年代.代入I的值年代随着习年代在方程1。我们有
这显示了启动转矩随x值的变化。现在对于这种方法有一些考虑。如果我们增加串联电抗器,那么能量损失增加,所以最好使用串联电抗器,因为它更有效地降低电压,但串联电抗器比串联电阻更昂贵。
自耦变压器起动方法
正如这个方法的名字所暗示的那样,我们连接自动变压器在三相电源和三相电源之间感应电动机如图所示:
自动变压器是一步变压器,因此它降低了v的每个相电源电压1到十五1电压的降低降低了I的电流年代习,年代.当电机达到其正常运行速度后,断开自耦变压器,然后施加全线电压。现在我们用自耦变压器起动方法的全负载转矩推导出起动转矩的表达式。我们在启动力矩的表达式中有不同的量,如下所示:
我们定义T年代的起动转矩
Tf满载转矩
我f每相转子电流在满负荷
我年代根据开始时的相位转子电流
年代f满载滑差
年代年代当开始滑
R2作为转子抵抗
W年代为电机的同步速度
现在我们可以直接把感应电动机转矩的表达式写成
由上式可得启动转矩与满载转矩之比为
在这里我们假设转子电阻是恒定的,它不随转子电流的频率变化。由上式可以得到以满载转矩表示的起动转矩的表达式。现在在开始的时候,每相电压降低到xV1,每相启动电流也减少到xi年代.代入I的值年代随着习年代在方程1。我们有
这示出了具有X值的起始扭矩的变化。
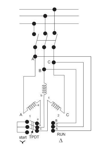
星形三角起动方法
连接图如下所示,用于星光Δ方法,
该方法用于设计用于在Delta连接绕组中运行的电机。终端标记为上面示出了定子的相位。现在让我们看看这个方法有效。定子相通过三极双投掷开关(TPDT开关)在图中连接到星形,在该位置被标记为1,然后在达到稳态速度达到稳态速度之后,将开关抛出到位置2,如图所示在上图中。
现在让分析上述电路的工作。在第一位置,电动机的端子短路循环,并且在第二位置,终端A,B和C分别连接到B,C和A.现在让我们从满满的方面导出启动扭矩的表达式为星形三角洲启动方法负载扭矩。我们有各种数量,涉及起始扭矩的表达式如下所示
Tf满载转矩
T年代的起动转矩
我f每相转子电流在满负荷
我年代根据开始时的相位转子电流
年代f满载滑差
年代年代当开始滑
R2作为转子抵抗
W年代为电机的同步速度
现在我们可以直接把感应电动机转矩的表达式写成
由上式可得启动转矩与满载转矩之比为
在这里我们假设转子电阻是恒定的,它不随转子电流的频率变化。我们假设线路电压为Vl然后在星际位置连接时,每相启动电流是i党卫军是由
当定子处于三角连接位置时,有起动电流
从上面的方程中我们得到
这说明降低电压的方法有降低起动电流的优点,但缺点是所有这些降低电压的方法都会引起起动转矩的不利降低。
伤口转子电机的起始方法
我们可以采用我们讨论过的所有启动鼠笼式感应电动机的方法来启动绕线转子电动机。我们将讨论最便宜的方法启动绕线转子电机在这里。
在转子电路中添加外部电阻
这将降低启动电流,增加启动转矩,并改善功率因数.电路图如下图所示:电路图中所示的三个滑环连接到绕线转子电机的转子端子上。在电机启动的时候,整个外部电阻添加在转子电路中。当转子加速时,外转子电阻逐步减小,而电机转矩在电机加速期间保持最大值。在正常情况下,当电机产生负载转矩时,外部电阻被移除。
完成本文后,我们能够比较带同步电机的感应电机。在下面写入感应电机和同步电动机之间的指数比较,
(一)异步电动机总是在滞后功率因数下运行同步电动机可在滞后和超前功率因数下运行。
(b)在感应电动机中,最大扭矩的值与电源电压的平方成正比,同时在同步机器的情况下,最大扭矩与电源电压成正比。
(c)在异步电机中我们可以很容易地控制速度,而在同步电机中,在正常情况下我们无法控制电机的速度。
(d)异步电机具有固有的自启动转矩,同步电机没有固有的自启动转矩。
(e)我们不能用感应电机来提高供电系统的功率因数,而用同步电机可以提高供电系统的功率因数。
(f)单励磁电机是指不需要直流励磁,双励磁电机是指需要单独直流励磁。
(g)感应电机在增加负载时,电机的速度降低,而同步电机的速度保持不变。






















