在我们介绍各种类型的功率因数米了解功率因数表的需求有哪些是非常必要的?为什么我们不直接计算功率因数在交流电路中,只要把功率除以乘积当前的和电压因为这些读数可以很容易地从瓦特计,安培表和电压表.显然,使用这种方法的各种局限性,因为它可能无法提供高精度,也是误差增量的机会非常高。因此,工业世界未采用这种方法。功率因数的测量对于无处不在。
在电力传输系统和配电系统中,我们在每个站点测量功率因数电力变电站使用这些功率因数米功率因数测量为我们提供了正在使用的负载类型的知识,并帮助我们计算在用电过程中发生的损耗电力传输系统和分布。
因此,我们需要一个独立的装置来更精确地计算功率因数。
任何功率因数表电路的一般结构都包括两个线圈,即压力线圈和电流线圈。当电流线圈连接在电路上时,压力线圈可以携带电路电流或一定比例的电流。通过测量电压和电流之间的相位差,可以在合适的校准尺度上计算出电力功率因数。通常压力线圈分为两部分,即感应部分和无感部分或纯电阻部分。不需要控制系统,因为在平衡时存在两种相反的力来平衡指针的运动,而不需要任何控制力。
现在有两种功率因数表-
- 电力测功计类型
- 动铁式.
让我们首先研究电动动力计类型。
电动计型功率因数计
在电动计型功率因数计根据电源电压,还有另外两种类型
- 单相
- 三个阶段。
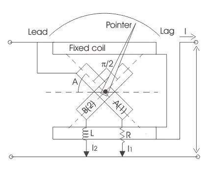
单相电力计功率因数表的一般电路图如下所示。
现在压力线圈被分成两部分一个是纯感应的另一个是纯电阻的,如图所示电阻器和电感。目前,参考平面与线圈1形成一个角A。两个线圈1和2之间的角度是90o.因此线圈2是一个角度(90o+ A)与参考平面。仪表的刻度被适当地校准了,如角a的余弦值所示。让我们标记电气电阻与线圈1连接的是R和电感器连接到线圈2是L.现在在测量功率因数期间,R和L的值被调整,使得R = WL使得两个线圈承载相同的电流幅度。因此,通过线圈2的电流是滞后的90o就线圈1的电流而言,线圈2的路径本质上是高度感应的。
让我们推导出这个的偏转力矩的表达式功率因数表.现在存在两个偏转扭矩,一个是在线圈1上作用,另一个在线圈2上作用。线圈绕组被布置成使得产生的两个扭矩彼此相对,因此指针将采取两个扭矩的位置是平等的。让我们为线圈1写入偏转扭矩的数学表达式
M是mutual的最大值电感在两个线圈之间,
B是参考平面的角度偏转。
现在线圈2的偏转力矩的数学表达式是-
在平衡时,我们有两个力矩相等,因此在T上相等1= T2我们有A = B.从这里我们可以看到偏转角是给定电路的相位角的量度。还示出了相量图对于电路,使得线圈1中的电流大致为90的角度o到线圈2中的电流。
下面是使用电动式功率因数表的一些优点和缺点。
电动型功率因数计的优点
- 损耗更少,因为铁部件的最小使用,也在较小的频率范围内给出更少的误差移动铁型仪器.
- 它们的高扭矩是重量比。
电动式功率因数表的缺点
- 与移动的铁式仪器相比,工作人员少。
- 刻度不超过360度o.
- 电源电压频率的变化对电力计式仪器的校准影响很大。
- 与其他工具相比,它们的成本非常昂贵。








