内容
欧姆表是什么?
一个欧姆特(也被称为欧姆计)是一种测量电阻材料(抵抗是对流动的衡量电流)。微欧姆仪(微米欧姆表或微型计)和毫米Hmmers制造低电阻测量兆欧计(有商标的装置梅格格)测量大的电阻值。
每个设备都有电阻。它可以大,也可以小,随着温度的升高导体随着半导体的温度降低。
有很多类型欧姆比特。最常见的欧姆米的三个是:
- 系列欧姆表。
- 分流欧姆表。
- 多量程电阻表。
欧姆表的工作原理
该仪器与a相连电池,串联可调电阻,以及提供读数的仪器。这抵抗性当电路通过连接输出电阻完成时,电路的电流流动,从而测量偏转。
当要测量的阻力非常高时,那么当前的在电路中将非常小,并且认为该仪器的读被认为是要测量的最大电阻。
当要测量的电阻为零时,仪器读数被设置为零位置,其提供零电阻。
D 'Arsonval运动
这种类型的移动在DC中使用测量仪器。这些类型的仪器中的主要原理是当携带电流携带的线圈放置在一个磁场,感觉是一种力量,力量可以偏转仪表的指针,我们得到仪器的读数。
这种仪器由一个永磁体和一个传递电流的线圈组成,线圈被放置在它们之间。线圈的形状可以是矩形或圆形。铁芯是用来提供一个通量低磁阻,所以它产生一个高强度的磁场。
由于磁场强度大,产生的偏转力矩大,从而提高了仪表的灵敏度。输入的电流来自两个控制弹簧,一个在上方,一个在下方。
如果方向当前的在这些类型的仪器中逆转,然后扭矩方向也将颠倒,因此这些类型的仪器仅适用于直流测量。偏转扭矩与偏转角度成比例,因此这些类型的仪器具有线性刻度。
为了限制指针的偏转,我们必须使用阻尼,该阻尼为偏转扭矩提供相等且相反的力,因此指针以一定值休息。
繁殖的指示由镜子给出,其中光束反射到尺度上,因此可以测量偏转。
我们使用D 'Arsonval型仪器有许多优点。他们是- - - - - -
- 它们具有统一的规模。
- 有效的涡流阻尼。
- 低功耗。
- 没有滞后损失。
- 它们不受杂散场的影响。
由于拥有这些主要优势,我们可以使用这种类型的仪器。然而,他们遭受缺点,例如:
然而,在电阻测量的情况下,我们因提供的优点而进行DC测量PMMC仪器我们把它相乘抵抗性通过1.6来找出交流电阻,因此这些仪器由于它们的优点而被广泛使用。它所提供的缺点被优点所支配,所以它们被使用。
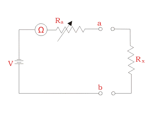
系列类型欧姆计
系列类型欧姆特由限流电阻R组成1、零调整电阻R2、电动源E、达松瓦运动内阻Rm和被测电阻R。
当没有要测量的电阻时,电阻当前的所画的电路将是最大的,仪表将显示一个偏转。
通过调整R.2该仪表被调整为满量程电流值,因为该电阻在此时的电阻将为零。协同响应指针指示标记为零。再次当终端AB打开时,它提供了非常高的电阻,因此几乎零电流将流过电路。在这种情况下,指针偏转为零,其在非常高的电阻测量值下标记为零。
所以一个抵抗性在0到一个非常高的值之间被标记,因此可以被测量。所以,在测量电阻时,电流的值会略小于最大值,然后记录下挠度,据此测量电阻。
这种方法是好的,但它有一定的局限性,如在潜力的减少电池随着它的使用,每一种用途都必须进行调整。当端子短路时,仪表可能不读数为零,这些类型的问题可能会出现,通过与电池串联的可调电阻来抵消。
并联型欧姆计
在这种类型的仪表中,我们有一个电池电源和一个可调节的电阻串联与电源。我们已经把仪表并联到要测量的电阻上。有一个开关,可用来接通或切断电路。
开关不使用时打开。当被测电阻为零时,A端子和F端子短路,从而使电阻为零当前的通过仪表将为零。仪表的零位置表示为零的电阻。
当。。。的时候抵抗性连接非常高,然后一个小电流将流过端子AF,因此,通过调整与电池连接的串联电阻,允许满量程电流流过仪表。
所以,全尺寸挠度测量的阻力非常高。当待测电阻在A和F之间连接时,指针显示一个偏转,我们可以通过它来测量电阻值。
在这种情况下,可能会出现电池问题,这可以通过调节电阻来抵消。由于其重复使用也可能存在一些错误。
多范围欧姆表
这台仪器可提供非常广泛的读数范围。在这种情况下,我们必须根据我们的要求选择量程开关。提供了一个调节器,使我们可以将初始读数调整为零。
这抵抗性要测量并联连接到仪表。调整仪表,使其在通过范围开关的电阻是满量程范围的终端时显示出全垢偏转。
当电阻为零或短路时,没有当前的流过仪表,因此没有偏转。假设我们必须在1欧姆下测量电阻,然后首先在1欧姆范围内选择范围开关。
然后,该电阻并联连接,并注意到相应的仪表偏转。对于1欧姆电阻,它显示出满量程偏转,但对于1欧姆以外的电阻,它显示出小于全负载值的偏转,因此可以测量电阻。
这是所有合适的方法欧姆比特我们可以在这种情况下准确读取。因此,这级现在最广泛使用。










