各种方法用于三相功率测量在三相电路根据的数量瓦特计使用。我们有三种方法来讨论:
让我们逐一详细讨论每种方法。
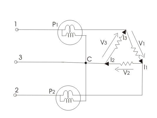
三瓦特计法测量三相功率
电路图如下所示
在这里,它被应用于三相四线系统,当前的标记为1、2和3的三个瓦特表的线圈都分别连接到标记为1、2和3的相。所有三个瓦特表的压力线圈都连接到中性线上的一个公共点。显然每个瓦特计会给出读数为相电流和线路的乘积吗电压也就是相位功率。瓦特计所有读数的总和就是电路的总功率。数学上我们可以这样写
用二瓦特计法测量三相功率
在这个方法中,我们有两种类型的连接
- 负载星形连接
- 负载三角形连接。
当负荷为星形连接负荷时,图如下-所示
对于星形连接的负载,瓦特表一的读数是相电流和乘积电压差(V2- v3.).类似地,瓦特表2的读数是相电流和电压差(V2- v3.).因此,电路的总功率等于两个瓦特表的读数之和。数学上我们可以这样写
但是我们有的价值
.
总功率是.
当三角形连接负载时,图如下所示
瓦特表1的读数可以写成
瓦特表2的读数是
但,因此总功率的表达将减少为
.
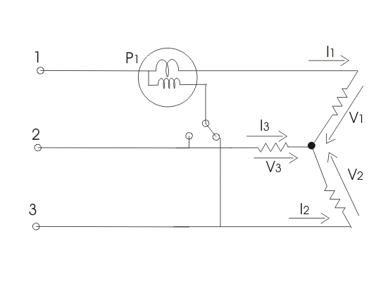
用一瓦特计法测量三相功率
该方法的局限性是不能应用于不平衡负载。在这个条件下.
图如下所示:
给出两个开关,分别标记为1-3和1-2,合上开关1-3,我们得到瓦特表的读数为
同样,当开关1-2关闭时,电度表的读数为















