最大功率传输定理
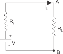
假设我们有一个电压源或者电池那是内部的抵抗性是r一世和负载电阻rL.通过此电池连接。最大功率传输定理确定电阻r的值L.为此,最大功率将从源传输到它。实际上从源汲取的最大功率取决于负载电阻的值。可能有一些混乱让我们清除它。
输送到负载电力,
为了找到最大功率,将上面的表达式与电阻r区分开来L.并将其等同于零。因此,
因此,在这种情况下,当负载电阻恰好等于内阻时,最大功率将被转移到负载电池。
最大功率传输定理可以适用于复杂的网络如下 -
电阻网络中的电阻载荷将在负载电阻等于时摘要最大功率抵抗性通过负载查看,因为它呼号返回网络。实际上这一点只不过是呈现给网络的输出端子的阻力。这实际上是母性等效抵抗正如我们解释的那样斯图维的定理如果我们认为整个网络是一个电压源。同样,如果我们认为网络为当前的来源,这种阻力将是Norton等效阻力正如我们解释的那样Norton定理。







