内容
什么是“与门”?
与门是具有两个或多个输入和一个输出的逻辑门。与门作用于逻辑乘法规则。在这个门中,如果任何一个输入是低的(0),那么输出也是低的。如果所有的输入都是高(1),那么输出也将是高的。一个与门可以有任意数量的输入,尽管2个输入和3个输入与门是最常见的。
有很多集成电路我们稍后会再讨论这个逻辑。让我们首先更好地理解与门输出的输出与输入的行为。
有两个二进制数字- 0和1。我们刚刚告诉与门执行二进制乘法的二进制位数。0和0相乘得到0 1和0或者0和1相乘得到0。只有当1乘以1时得到1。
换句话说,与门是一种数字设备,它只在所有输入都是高时产生高输出,在所有其他输入条件下产生低输出。高数字信号逻辑上表示1,低数字信号逻辑上表示0。
一个与门可以有任意数量的输入探头,但只有一个输出探头。
2输入与门
双输入与门的符号在逻辑上表示为:
其中A和B表示门的输入,X表示门的输出。A、B和X在逻辑上可以是0(低)或1(高)。
因此与门的逻辑运算可表示为:
A和B的所有乘法组合都可以用A的表格形式表示真值表.真值表列出了一个特定数字逻辑电路输入的所有可能组合的输出。的真值表2输入AND的值门可以表示为:
3输入与门
如果不是两个输入,而是三个输入,这将改变与门的逻辑符号和真值表。
3输入与门的逻辑符号表示为:
3输入与门的真值表为:
在数字电子技术,其他逻辑门包括不是盖茨,或门,NAND盖茨,盖茨也不,XOR门,XNOR门.
与门电路图
和门二极管电路图
当二极管用于与门设计时,称为二极管与门。二极管与门的基本电路如下所示
在上面的二极管电路中,我们首先在c处施加+5V,现在如果我们在A和B处施加+5V,两个二极管都是反向偏置的,因此两者都表现出来二极管如断开或开路。
在这种情况下,两个二极管都是关的,不当前的将流经电阻器R和电压当电源电压+5V出现在X时,电路的输出被认为是高或逻辑1。
现在,如果点A或B或两者都应用0伏或接地,各自的二极管将成为正偏,因此表现为' ON '或短路。在这种情况下,C点的电源电压+5V将通过一个二极管或两个二极管到达地电位。
当电流从C流过电阻R到地时,整个5V将在电阻上下降,因此X处的电压将降低或逻辑上为零。
在转发偏置条件下二极管不表现为理想短路;一些电压降会在正偏二极管上产生与正偏电压相等的电压。
这个电压降将出现在X在低输出条件下,所以实际上低输出将不是0V而是0.6到0.7V,这是理想的认为为零。
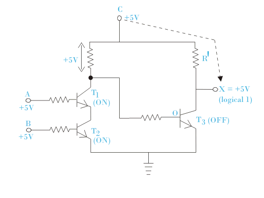
和门晶体管电路图
与逻辑门也可以由晶体管与门实现。与门晶体管电路图如下所示:
在上述电路中,当A或B或A和B都接地或在0V电压下晶体管T1或T2或两个T1和T2分别为“OFF”状态。
这是因为A和B端子是晶体管T的基极1和T2分别。零基极电压使晶体管处于关闭状态。通过T的路径1和T2是晶体管T的开路基极吗3.有足够的潜力使T3.上。
的当前的然后开始通过T向地面输送电源3..因此,整个电源电压将在R上下降1,终端X的潜力就会很低,或者逻辑上为零。
如果任何一个晶体管T1和T2当两个晶体管串联在一起时,输出X会得到相同的结果。
现在我们来检查一下,如果A和B都是高逻辑值,那么X的逻辑值是多少。如果我们在A和B都施加+5V,也就是在晶体管T的基极1和T2分别。
这使得晶体管T1和T2处于正常状态。进入供应电压会在R和晶体管T的基势之间下降吗3.是0和T3.处于关闭状态。因此,电源电压+5V出现在X,而X在逻辑上将变成1或高。
还有IC 7408门
For AND Gate IC number inTTL是7408。7408是四门2输入集成电路,其中四个门在一起。让我们看一下7408的内部图。
这里,引脚1、2是第一个门的输入,其各自的输出是3。同样,4和5是第二个门的输入,其输出在引脚6处。第四个的输入是引脚12和13,引脚11是它的输出。
引脚14是电源输入,如果输入最大可达5.2伏直流电电压超过此值,可能会对IC造成损坏。
和门IC 4081
在CMOS逻辑中,即互补场效应晶体管AND门的逻辑I.C号码是4081。该IC也有两个输入和一个各自的输出。在这个IC中也有4个门在一起。现在看看下面这个电路的内部图,让它更清楚。
引脚1和引脚2是第一个门的输入端,其输出端是3号门。同样,引脚5和6是第二个门的输入,其输出在引脚4。PI 7被接地。引脚8和9是第三个门的输入,其输出在引脚10。
同样,引脚13和12是第四个的输入和门它的输出在引脚11处。引脚13和12是第四与门的输入,其输出在引脚11。引脚14是一个最大5.2伏特的电源直流电可以提供电源来激活IC。
CMOS和TTL的内部电路是不同的,必须注意这一点。





















