在讨论之前,感应电动机驱动器理解和了解是很重要的感应电动机.用非常简单的话来说,感应电动机可以被描述为三相自起动恒速交流电动机。将感应电动机描述为恒速的原因是,通常这些电动机有一个恒速,这取决于供电的频率和绕组的数量。
在过去,不可能根据需要控制感应电动机的速度。这就是为什么它们的使用是有限的,尽管有许多其他优势直流电机因为这个缺点,它们不能被使用。但在司机领域已经改善由于可用性晶体闸流管或者可控硅,功率晶体管,igbtgto是变速的感应电动机驱动器已经被发明了。
虽然这些驱动器的成本超过直流驱动器,仍然使用感应电机是增加的,他们正在取代直流电机,因为他们的优点。在讨论这个话题时,我们将从头开始,制动以及感应电机的速度控制。
感应电动机的启动
我们知道,感应电机是自启动的,即当供应给电机,它开始旋转,没有任何外部帮助。当一个感应电动机是开始就没有了吗电阻最初(即在开始阶段),有一个巨大的趋势当前的流过转子电路,可能永久损坏电路。为了克服这一问题,提出了各种方法来限制起动电流。有些方法是
- 星三角起动器
- 自耦变压器起动器
- 反应堆启动器
- 饱和电抗器起动器
- 部分绕组起动器
- 交流电压控制起动器
- 转子电阻起动器用于绕线转子电机的起动。
的感应电动机驱动器通常设计为在三角形连接上运行,但在启动期间,电源从星形连接提供,因为然后启动器电压和当前的比delta连接减少1/√3倍。当电机达到稳态转速时,连接从星形连接变为三角连接。
感应电动机的另一种起动方法是汽车变压器开始。因为我们知道力矩正比于电压.由自动变压器控制起动电压和当前的减少,以克服过热的问题,由于非常大的电流。开始时的比率变压器设置为起动电流不超过安全限制。一旦感应电动机自耦变压器开始运行并达到稳定状态值,断开电源。电路图在这里给出
另一种启动方法是使用饱和反应堆驱动器的软启动。在这种方法中,在电路中引入高电抗,使起动转矩接近于零。现在电抗在起动和起动过程中平稳降低当前的增加和扭矩也无级变化。在这种方法中,电机启动没有任何震动和加速是平稳的,这就是为什么它也被称为软启动。
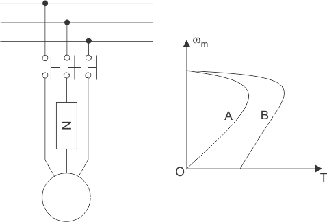
软启动的不平衡启动方案是另一种启动方法,即只在一个供电阶段引入阻抗。在启动过程中,阻抗保持很高,因此电机作为单相电机运行,此时的转速转矩特性类似于图中的曲线a。当速度达到一个稳定的状态值时,阻抗被完全去除,此时曲线与B相似,这是日场的自然特性。这种起动方式也没有任何颠簸,操作非常顺畅。
部分绕组起动方法是专用的鼠笼式感应电动机.在这种方法中,两个或多个起动器绕组并联。当电机启动时,任何一个绕组被连接,导致启动器阻抗增加,启动电流减少。当电机获得稳定的速度时,两个绕组连接。
针对绕线转子电机,采用转子电阻起动器。在这个方法中,外部电阻用于转子电路中限制起动电流。的最大值电阻是为了限制当前的在安全范围内零速度。随着转速的增加,分段电阻是温升比其他起动方法低的高加速度,频繁起动和停止重载起动都可以用这种起动方法来完成。
感应电动机制动
当说到控制电机时电驱动制动是一个非常重要的术语,因为它有助于根据意愿和必要性降低电机的速度。感应电动机制动可以主要分为三种类型吗
- 再生制动。
- 堵塞或反向电压制动
- 动力制动哪个可以进一步分类为
- AC动力制动
- 使用电容器的自激制动
- 直流动力制动
- 零序制动
为了说明感应电动机的再生制动,我们可以借助该方程
在这里,θ年代定子电压和定子电流之间的相角,简单的字每当这个相角超过90o(即θ年代> 90o)可进行再生制动。为了更清楚、更容易地解释这一点,我们可以说,每当转子的转速超过同步转速时,就会发生再生制动。这是因为每当转子以超过同步速度旋转时,就会发生一个反向磁场,它反对电机的正常旋转,因此制动发生。这种类型的制动的主要缺点是,电机的速度必须超过同步速度,这可能不是每次都可能。为了获得比同步速度更低的再生制动,可以采用变频源。
感应电动机的插拔是通过交换任意两个电源端子来完成的。当端子颠倒时,机器的操作就从起动变为插入。从技术角度来看,为了更好地理解,可以这样说,滑移从' s '变化到(2-s),这表明由于终端的逆转,扭矩也改变其方向和制动发生。
感应电动机动态制动的第一个分类是交流动态制动,电源的任一相断开电源,然后保持开路或与另一相连接。第一种类型被称为二引线连接,第二种被称为三引线连接。为了清楚地理解这种制动方法,我们可以假设该系统为单相系统。现在可以认为电动机是由正序和负序电压供电的。这就是为什么当转子阻力高时,净扭矩是负的,可以获得制动。
有时电容器通过连接电动机的供电端子来保持永久性。这被称为自激制动使用电容器感应电动机。这种类型的制动主要是通过电容器的特性来储存能量。当电动机断开电源时,电动机就开始作为自励感应发电机工作,电源来自连接在两个端子上的电容器。电容器的值是这样选择的,他们足以使电动机作为一个感应发电机工作后,断开电源。当马达作为一个异步发电机产生的扭矩反对电机的正常旋转,因此制动发生。
另一种动态制动是直流动态制动。在这种方法中,运行的感应电动机驱动器的定子连接到直流电源。将直流电源连接到定子的结果如下,直流电产生静止电流磁场,在转子保持旋转,作为一个感应电压在转子绕组中,因此机器作为一个发电机工作,它反对电机的运动和制动被获得
感应电机的速度控制
我们已经讨论了感应电动机的起动和制动,但是在运行时如何控制速度。感应电动机的速度控制可以做的六种方法有哪些
- 变极
- 定子电压控制
- 电源频率控制
- 涡流耦合
- 转子电阻控制
- 滑动力恢复
我们知道感应电动机的速度与磁极数成反比。因此,如果分别增加或减少磁极数,就有可能增加或减少感应电动机的速度。在其中改变极点数的规定是存在的,他们被称为“变极电机”或“多速电机”。
另一种控制感应电动机驱动速度的方法是定子电压控制。定子电压直接影响转子的转速。转矩与电压的平方成正比当前的正比于电压.因此,如果定子电压降低,转速也会降低,同样,如果定子电压增加,转速也会增加。
一个人的速度感应电动机与电源频率与气隙磁通的乘积成正比。但既然有机会磁饱和当降低电源频率时,这就是为什么不仅频率而且v/f(即电源电压和频率的比率)被控制,这个比率试图保持不变。如果需要改变速度v/f的比值也相应改变。
的涡流速度控制方法是在匀速运行的感应电动机和变速负载之间安装一个涡流离合器。这个涡流离合器是什么?它只不过是一个允许定子和转子都旋转的感应电动机驱动器。转子与主电机相连感应电动机.当转子鼓内产生涡流时,它们与定子磁场相互作用,并产生一个转矩,使主电机旋转。通过控制直流电流通过定子绕组可以控制电机的速度。
根据转子的阻力,转子的速度下降或增加。转速转矩特性随转子电阻变化情况如下图所示。这种速度控制方法因成本低而优于其他许多方法。

 
        













 
              
              
              
             

