海氏桥应用程序
在我们介绍干草桥让我们回顾一下麦克斯韦桥,以便了解什么是必要性海氏桥应用程序.
麦克斯韦电桥仅适用于测量介质质量因子(即介质质量因子)。品质因数然而,线圈不适合测量高质量因子(Q> 10)。
为了克服这一限制,我们需要对麦克斯韦电桥进行改进,使其适合于在较宽范围内测量Q因子。这种改进的麦克斯韦桥被称为海氏桥。
海氏桥理论
就像我之前说的干草桥是一个改进的麦克斯韦电桥,现在我们脑海中出现了一个问题我们需要在哪里做修改。
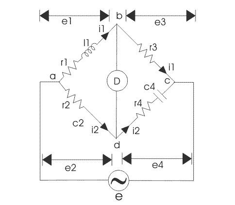
为了理解这一点,让我们考虑下面给出的连接图:
在这桥上电阻是否与标准串联电容器.在这里我1是未知的电感器与电阻串联连接1.c4是标准电容和r吗2, r3., r4是纯电阻形成桥的其他臂。
根据交流电桥理论,在平衡点处,
代入z的值1, z2, z3.和Z.4由式(1)可知,
线圈的Q系数由
因此,方程(4)和式(5)依赖于源频率,以便求出l的准确值1和R.1我们应该知道源频率的正确值。
我们重写一下l的表达式1,
现在,如果我们代入Q >10,那么1/Q2= 1/ 100,因此我们可以忽略这个值,因此忽略1/Q2我们得到r2r3.c4这和我们在里面得到的是一样的麦克斯韦桥因此海氏桥电路适用于高电感量测。
让我们知道更多关于海氏桥电路海伊的桥图,这对理解很有用海氏桥相量图.A米在桥的b点和d点之间连接。ab臂由电阻r1和电感,l1总的下降量是e1)和臂AD由纯电阻r组成2总的下降量是e2)。
臂bc由使e下降的纯电阻组成3.而CD臂由电阻器r4还有一个电容使总e降低4.现在我们画一个海氏桥的相量图,在零点e处1一定等于e2,和e3.一定等于e4随着当前的通过bd的流量为零。
让我们取i1作为参考轴,因此电流I2由我领导1通过一些角度(如图所示海氏桥相量图以下是,因为电容器连接在分支CD中,使得电流I2由我领导1.
让我们标记e1和e2和e的结式1和e2当然等于e,相位差电压降在整个电阻r4和>电容器c4是90o(以度测量)在海氏桥的相量图中清楚地显示出来。
在使用AC源的许多实际情况桥电路中,使用电子光线指示通过打开和关闭管的阴影区域来消除平衡状态。对于声音平衡耳机,使用,但由于这种方法,精度会减少。为了控制到桥梁的工作电源并完成检测电路,使用各种开关。
很多时候将两个开关函数合并成一个键,已知电桥键这是为了保证电源在应用于电桥前的检波器电路,由于这个顺序的电感和电容降低了。
干草桥的优势
该桥为计算高值未知电感器提供了非常简单的表达式。干草的桥梁需要低价的r4而麦克斯韦桥要求r值很高4.现在我们来分析为什么要把r的低值4在这座桥:
考虑质量因素的表达,
r4因此,对于高质量因子,r出现在分母中4一定要小。
Hay’s Bridge的缺点
干草桥不适合测量品质因子(Q<10), Q<10应采用麦克斯韦电桥。










