这二极管仅在前向偏见时才工作,只有当前的流过来P-n结二极管找到负载的输出电流。
如果两个二极管以这样的方式连接,即在输入的一半期间导通一个二极管电压而另一个在未来一半的循环中的导电,在单向的可以在冲击电压的完整循环期间流过负载。
这被称为全波整流器。
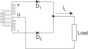
根据中心敲击下面的图表变压器D.1和D.2是二P-n结二极管具有类似的特征d1用于输出电压的负数。因此,我们得到输出电压和产出当前的对于整个输入周期。
全波二极管整流器电路图
电路图全波二极管整流器下面给出,
使用由四个二极管制成的桥式整流器也可以实现全波整流。
根据该图,当D时1和D.3.是向前偏见的,他们行为而是d2和D.4.和D.1和D.3.在两种情况下,在相同方向上的载荷电流都是反向偏置的。
桥式整流器在简单的全波整流器上具有几个优点。IT性能和效率优于简单的全时整流器。
输入电压和输出电压波形
现在,不同的参数全波整流器在下面给出:
负载电流的平均值(iDC.):
让,负载电流是我L.= I.msinωt.
全波整流器的纹波因子等于










