在讨论中关于各种话题的讨论数字电子技术我们已经了解了各种类型的逻辑门及其设计和操作方法。现在我们来讨论一下这个术语扇出这和逻辑门有什么关系扇出逻辑门.现在,一个逻辑门的输出与其他逻辑门的各种输入相连接是一种很常见的现象。
但是从单个逻辑门的输出输入的最大数目是有限制的,它不能是任何数目。这个数字取决于当前的逻辑门高输出时输出的源能力,低输出时输出的电流下沉能力。它还取决于与逻辑门的输出相连接的输入的要求。
我们可以通过上面的示例和图表进一步说明这一点。
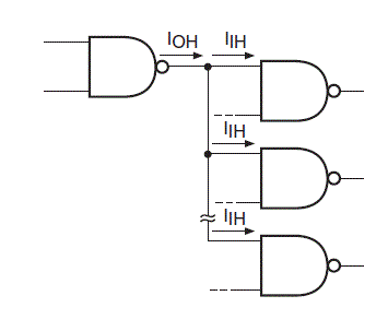
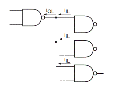
假设当前的采购能力与非门是我哦当它的输出在逻辑高,而逻辑门的输入是I从这个逻辑门的输出IH.我们也可以在图中看到它。现在,逻辑门的输出的最大输入数将能够驱动我哦/我IH.这将适用于当输出处于高状态时。现在考虑输出处于逻辑LOW状态的情况,则取最大电流下沉能力为IOL.再一次,就像前一个一样,输入到各种逻辑门的所有连接输入端的下沉电流是I伊尔.我们将在下一张图中展示。
在这种情况下,由逻辑门的输出驱动的输入驱动器的最大数量将等于IOL/我伊尔.因此,我们已经发现,可以从一个逻辑门的输出输入的最大逻辑门输入数将是I哦/我IH当逻辑高时,它将是IOL/我伊尔当逻辑处于低状态时。
因此,可以由一个逻辑门的输出驱动的逻辑门输入的数量称为扇出逻辑门,唯一的条件是不能有任何错误输出。这是逻辑门的一个非常重要的特征数字电子技术因为它有助于设计各种电路门。
在很多情况下IOH/IIHand I的值OL/我伊尔是不同的,在这种情况下,两者中较小的作为扇出逻辑门,所有的计算都是基于该值。
以上两幅图显示了实际的电路电路图,其中输出单与非门属于标准TTL (晶体管晶体管逻辑)逻辑族提供属于同一逻辑族的各种与非门的输入。
第一个图形用于逻辑高时的状态,第二个图形用于逻辑低时的状态。为标准TTL系列器件的最大高状态输出源电流和最大高状态输入当前的分别为400亩和40亩。低态时相同的值分别为16 μ A和1.6 μ A。我们在另一篇文章中讨论了ttl。






