一个gydF4y2Ba感应电动机gydF4y2Ba是一种以变压器原理为原理工作的知名器件。所以它也被称为旋转变压器。也就是说,当EMF供应到其定子时,由于电磁感应,agydF4y2Ba电压gydF4y2Ba是在转子中感应的。感应电动机被称为gydF4y2Ba变压器gydF4y2Ba与二次旋转。这里,变压器的初级绕组类似于感应电动机的定子绕组,次级绕组类似于转子绕组。gydF4y2Ba
感应电动机始终低于同步或全负载速度,同步速度和旋转速度之间的相对差异被称为由S表示的滑动。gydF4y2Ba
在那里,NgydF4y2Ba年代gydF4y2Ba是由-给出的同步转速gydF4y2Ba
式中,f为电源电压的频率。gydF4y2Ba
P是机器的极数。gydF4y2Ba
感应电动机的等效电路gydF4y2Ba
任何机器的等效电路显示了机器的各种参数,如欧姆损耗和其他损耗。gydF4y2Ba
损失仅供建模gydF4y2Ba电感器gydF4y2Ba和gydF4y2Ba电阻器gydF4y2Ba.在绕组中发生铜损失,因此绕组gydF4y2Ba电阻gydF4y2Ba被考虑在内。还有,绕组gydF4y2Ba电感gydF4y2Ba有一个gydF4y2Ba电压降gydF4y2Ba由于gydF4y2Ba归纳电抗gydF4y2Ba还有一个叫做术语gydF4y2Ba功率因数gydF4y2Ba进入图片。在三相感应电动机的情况下存在两种类型的等效电路 -gydF4y2Ba
精确等效电路gydF4y2Ba
在这里,RgydF4y2Ba1gydF4y2Ba是定子的绕组阻力。gydF4y2Ba
XgydF4y2Ba1gydF4y2Ba是定子绕组的电感。gydF4y2Ba
RgydF4y2BacgydF4y2Ba是核心损耗部件。gydF4y2Ba
XgydF4y2Ba米gydF4y2Ba为绕组的磁化电抗。gydF4y2Ba
RgydF4y2Ba2gydF4y2Ba/s为转子功率,包括输出机械功率和转子的铜损耗。gydF4y2Ba
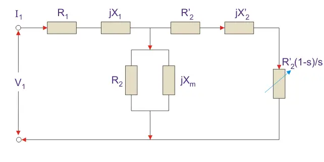
如果我们用参考定子绘制电路,那么电路将看起来像 -gydF4y2Ba
这里所有其他参数都是相同的,除了-gydF4y2Ba
RgydF4y2Ba2gydF4y2Ba’是指转子绕组电阻与定子绕组。gydF4y2Ba
XgydF4y2Ba2gydF4y2Ba’是指转子绕组电感与定子绕组。gydF4y2Ba
RgydF4y2Ba2gydF4y2Ba(1 - s) / s是电阻,表示转换为机械功率输出或有用功率的功率。在那个电阻中耗散的功率是有用的功率输出或轴功率。gydF4y2Ba
近似等效电路gydF4y2Ba
为了简化计算,我们画出了近似的等效电路,只删除了一个节点。分流分支移向初级侧。这样做是因为定子电阻和电感之间的电压降较小,电源电压和感应电压之间没有太大的差别。然而,由于以下原因,这是不适当的-gydF4y2Ba
- 的gydF4y2Ba磁路gydF4y2Ba感应电机的气隙如此令人兴奋gydF4y2Ba当前的gydF4y2Ba比变压器大,因此应采用精确的等效电路。gydF4y2Ba
- 异步电动机的转子和定子电感较大。gydF4y2Ba
- 在感应电动机中,我们使用分布式绕组。gydF4y2Ba
如果必须为大型电动机完成近似分析,则可以使用该模型。对于较小的电机,我们不能使用它。gydF4y2Ba
等效电路的功率关系gydF4y2Ba
- 输入电源定子- 3vgydF4y2Ba1gydF4y2Ba我gydF4y2Ba1gydF4y2Bacos(ɵ)。gydF4y2Ba
在那里,VgydF4y2Ba1gydF4y2Ba是否施加定子电压。gydF4y2Ba
我gydF4y2Ba1gydF4y2Ba是由定子绕组引出的电流。gydF4y2Ba
Cos(Ɵ)为定子动力定子。gydF4y2Ba - 转子输入=gydF4y2Ba
电源输入-定子铜和铁损耗。gydF4y2Ba - 转子铜损耗=转差率×转子输入功率。gydF4y2Ba
- 开发的电源=(1 - s)×转子输入电源。gydF4y2Ba
单相感应电动机的等效电路gydF4y2Ba
单相等效电路和三相等效电路是有区别的。的gydF4y2Ba单相感应电动机gydF4y2Ba电路由双旋转场理论给出,说明-gydF4y2Ba
静止的脉动gydF4y2Ba磁场gydF4y2Ba可能被解析成两个旋转场,两者都具有相等的幅度,但在方向上相反。因此,在静止时诱导的净扭矩为零。这里,向前旋转被称为滑动S的旋转,并且向后旋转被给出(2 - 2)的滑动。等效电路是 -gydF4y2Ba
在大多数情况下,铁芯损耗成分rgydF4y2Ba0gydF4y2Ba忽略不计,因为该值相当大,对计算影响不大。gydF4y2Ba
在这里,ZgydF4y2BafgydF4y2Ba表示正向阻抗和ZgydF4y2BabgydF4y2Ba显示后向阻抗。gydF4y2Ba
此外,前向和向后滑动的总和为2,因此在向后滑动时,它被(2 - S)取代。gydF4y2Ba
RgydF4y2Ba1gydF4y2Ba=定子绕组电阻。gydF4y2Ba
XgydF4y2Ba1gydF4y2Ba=定子绕组的电感电抗。gydF4y2Ba
XgydF4y2Ba米gydF4y2Ba= Magnetising电抗。gydF4y2Ba
RgydF4y2Ba2gydF4y2Ba’=转子电抗,参照定子。gydF4y2Ba
XgydF4y2Ba2gydF4y2Ba'=与定子的转子电感抗抵抗力。gydF4y2Ba
等效电路力量计算gydF4y2Ba
- 找到ZgydF4y2BafgydF4y2Ba和Z.gydF4y2BabgydF4y2Ba.gydF4y2Ba
- 求定子电流,由定子电压/总电路阻抗给出。gydF4y2Ba
- 然后求输入功率,由gydF4y2Ba
定子电压×定子电流× Cos(Ɵ)gydF4y2Ba
式中:Ɵ为定子电流与电压的夹角。gydF4y2Ba - 电力开发(PgydF4y2BaggydF4y2Ba)是前场功率和后场功率的区别。正向和反向功率由各自电阻中耗散的功率给出。gydF4y2Ba
- 转子铜损除旁路×pgydF4y2BaggydF4y2Ba.gydF4y2Ba
- 输出功率由 -gydF4y2Ba
PgydF4y2BaggydF4y2Ba- s × PgydF4y2BaggydF4y2Ba——旋转的损失。gydF4y2Ba
旋转损耗包括摩擦损耗、风阻损耗、铁芯损耗。gydF4y2Ba - 效率也可以通过潜水输出功率和输入功率来计算。gydF4y2Ba







