op amp.广泛用作主体建筑块数字到模拟转换器。数字到模拟转换器是IC形式的电子设备,它将数字信号转换为其等效模拟信号。这DAC.可以在很多方面实现。其中一个流行的数字到模拟转换器电路是二元加权梯子。
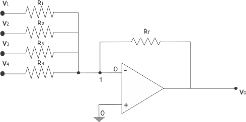
这基本上是一个求和放大器设计为适合抵制, 如下所示。
现在,申请Kirchhoff当前法律在上述电路的节点1,我们得到,
在经历上述电路之前数字到模拟转换器,让我们放出一些不同的不同价值电阻器连接在电路中。
如,rF=10kΩ,r1=10kΩ,r2=20kΩ,r3.=40kΩ和r4.=80kΩ。
将这些值放在等式(i)中我们得到,
现在,让我们申请电压输入端子为0或1伏。在所有输入中放置0伏(即,v1= 0,v2= 0,v3.= 0和v4.= 0)我们得到,
因此,对于数字输入0000,我们得到模拟输出0伏。在最后输入时置于1V(即V.1= 0,v2= 0,v3.= 0和v4.= 1V),我们得到,
同样,对于v1= 0,v2= 0,v3.= 1,v4.= 0.
对于,V.1= 0,v2= 0,v3.= 1,v4.= 1
以这种方式,输入和相应的输出可以在表中表示,如下所示。
| 二进制输入[v1V.2V.3.V.4.] | 十进制价值 | 输出(-v.0.) |
| 0000. | 0. | 0. |
| 0001. | 1 | 0.125 |
| 0010 | 2 | 0.25 |
| 0011 | 3. | 0.375 |
| 0100. | 4. | 0.5 |
| 0101 | 5. | 0.625 |
| 0110. | 6. | 0.75 |
| 0111. | 7. | 0.875 |
| 1000 | 8. | 1.0 |
| 1001. | 9. | 1.125 |
| 1010. | 10. | 1.25 |
| 1011. | 11. | 1.375 |
| 1100 | 12. | 1.5 |
| 1101. | 13. | 1.625 |
| 1110. | 14. | 1.75 |
| 1111. | 15. | 1.875 |
所以,对于每个十进制数有一个唯一的输出电压等级。从表格看,也可以看出,对于每个增量,表格0到15,输出增加电压水平0.125伏。
因此,输出是模拟的,它是线性比例的数字输入的十进制等效项。上面的例子是四位DAC.。四点钟DAC.可以表示如下所示。






