直流转换器如今,尽管许多工业应用依赖于DC电压源.如果我们使用变量直流电源,这些应用程序的性能将得到改进。它将有助于提高设备的可控性。此类应用的示例是地铁车,小车巴士,电池操作车辆等。我们可以通过帮助控制并改变恒定的直流电压砍刀.
斩波器是基本静态功率电子设备,将固定的直流电压/功率转换为可变直流电压或功率。它只有一个高速开关,它以高速速率连接和断开源的负载,以获得输出的变量或切换电压。
砍刀可以在其相对侧增加或减小直流电压电平。所以,斩波器有用相同的目的直流电路交流电路情况下转移。所以它也称为DC变压器。
斩波器中使用的设备
低功耗应用:GTO,IGBT权力是机器,功率MOSFET.等等。
高功率应用:晶闸管或scr。
这些装置以简单起见表示为虚线盒中的开关。当它关闭时当前的可以仅在箭头的方向上流动。
1)下降斩波器:
下降斩波器,因为降压转换用于降低输出侧的I / P电压电平。步骤斩波器的电路图如同附图所示。
当CH打开时,vS.直接出现在负载上如图所示。所以V.O.= V.S..
当CH关闭时,vS.与负载断开连接。所以输出电压VO.= 0。
下降斩波器的电压波形如下所示:
T.在→这是斩波器在状态上的间隔。
T.离开→斩波器处于关闭状态的间隔。
V.S.→电源或输入电压。
V.O.→输出或负载电压。
T→斩波期= T在+ T.离开
具有电阻载荷的台阶斩波器的操作
当CH是ON时,VO.= V.S.
当ch关闭时,vO.= 0.
其中,d是占空比= t在/ t。
T.在可以从0到t变化,所以0≤d≤1.因此,输出电压VO.可以从0到v变化S..
因此,我们可以得出结论,输出电压始终小于输入电压,因此名称上行斩波器是合理的。下面示出了具有电阻载荷的台阶斩波器的输出电压和电流波形。
具有归纳负载的台阶斩波的操作
当CH是ON时,VO.= V.S.
当ch关闭时,vO.= 0.
在斩波时的时间
因此,峰值峰值负载电流,
在斩波器的关闭时
如果电感l的值非常大,因此加载当前的将是持续的自然界。当ch关闭时电感器反转其极性和放电。这次电流的壁球二极管FD。
将(i)和(ii)等号
从(i)我们得到,
下面显示了具有电感负载的台阶斩波器的输出电压和电流波形
2)升压斩波或升压转换器:
采用升压斩波或升压变换器来提高其输出端的输入电压水平。其电路图和波形如下图所示。
屈膝斩波的操作
当CH在其上时,短路负载。因此在t期间输出电压在是零。在此期间,电感会被充电。所以,VS.= V.L.
其中,ΔI是峰电感电流的峰值。
当CH处于OFF状态时,电感L通过负载放电。我们会得到两个源电压V的总和S.和电感电压VL.作为输出电压,即
现在,通过等同于(iii)和(iv),
当我们可以改变0到T时,所以0≤d≤1.因此vO.可以从v变化S.到∞。很明显,输出电压始终大于输入电压,从而提升或增加电压电平。
Buck-Boost转换器或加紧步骤转换器
借助降压 - 升压转换器,我们可以根据我们的要求增加或减少输出侧的输入电压电平。该转换器的电路图如下所示。
降压 - 升压转换器的操作
当CH在源电压上时,将跨电感L施加,它将被充电。
所以V.L.= V.S.
当斩波器关闭电感器时,L逆转其极性并通过负载放电二极管, 所以。
通过评估(v)和(vi)我们得到,
考虑到幅度,
D可以从0变为一个。
什么时候,d = 0;V.O.= 0.
当d = 0.5,vO.= vs.
什么时候,d = 1,vO.=∞
因此,在间隔0≤d≤0.5中,输出电压在0≤v的范围内变化O.≤vS.我们下台或降压操作。
虽然,在0.5≤d≤1的间隔中,输出电压在范围内变化S.≤vO.≤∞,我们得到加紧或升压操作。
根据输出电压和电流方向
半导体斩波电路中使用的器件是单向的。通过适当的布置,既能得到输出电压,又能得到输出电压当前的从斩波在我们所需的方向。因此,在此功能的基础上,斩波器可以分类如下:
在详细分析之前,一些关于v的基本想法O.- 一世O.这里需要象限。
我的指示O.和VO.在图1中标记为正向。
如果输出电压(VO.)和输出电流(iO.)在图中标记的方向之后,然后斩波操作将在V的第一个象限中受到限制O.- 一世O.飞机。这种类型的操作也被称为前向电动机。
输出电压(vO.)遵循图2中的标记方向。1但电流以相反的方向流动,然后vO.是积极的,但我O.为消极。因此,斩波器在v的第二象限中运行O.- 一世O.飞机。这种类型的操作也被称为前向制动。
还可能发生,输出电压和电流都与图中标记的方向相反 -  1.在他的情况下,vO.和我O.被视为消极。因此,斩波操作受到第三象限的限制O.-我O.飞机。该操作被称为反向电动机。
如果输出电压与图1中的标记方向相反。然后它被视为消极。但输出当前的遵循图2中标记的方向。1并被认为是积极的。因此斩波器在v的第4象限中运行O.- 一世O.飞机。这种操作模式称为反向制动。
现在我们可以继续对不同类型的斩波器进行详细分析。一些斩波器仅在单象限中运行,称为单象限斩波器。一些斩波器在两个象限中操作,也称为两个象限斩波器。斩波器还可以在所有象限中操作,这些象限被称为4象限斩波器。
类型 - 斩波器
这是一个象限斩波器,其操作受到V的第一次象限中的限制O.- 一世O.飞机。电路图如下所示:
当CH在两个vO.和我O.跟随图中标记的方向。因此,两者都被视为积极的负载功率是积极的,这意味着电力从源头到陆地传递。
当CH熄灭当前的自由轮二极管.因此V.O.是零和我O.是积极的。
在类型 - 斩波器可以看出V的平均值O.和我O.总是积极的。这也被称为下降斩波器,因为v的平均值O.小于输入电压。这种斩波器适用于电动操作。
类型-B斩波器
这也是在v的第二象限中运行的单个象限斩波器O.- 一世O.飞机。电路图如下图所示。
有趣的是要注意,负载必须具有DC电压源E为此操作。
当CH在v时O.是零但是当前的在图中标记的相反方向流动。当斩波器关闭时。
超过源电压VS..因此电流通过二极管D流过Diode D并视为负面。
因此,我O.这里总是消极,但vO.是正的(有时是零)。因此,负载到电源的功率流和b型斩波器的工作被限制在V的第二象限O.- 一世O.飞机。这种类型的斩波器适用于前向制动操作。
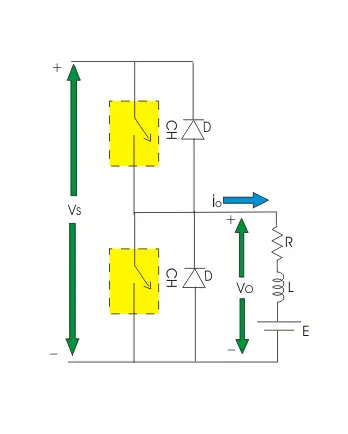
Type-C斩波器
这是一个两个象限斩波器,其操作在V的第一和第二象限之间界定O.- 一世O.飞机。通过如图所示,通过连接型A和Type-B斩波器来获得这种类型的斩波器。
当CH.1是ON电流流过abcdefa和电感L将被充电。因此输出电压VO.和现在的我O.两者都将是积极的。当CH.1是关闭的,诱导将通过d放电1和现在的我O.将通过零输出电压的相同方向流动。所以,我们可以看到CH的操作1只不过是类型 - 斩波器的操作,我们可以在第一象限中操作斩波器。
当CH.2正在开启,输出电压VO.会是零,但输出电流IO.将在图中所示的电流相反的电流方向流,电感将充电。当CH.2是关闭输出电压。
超过源电压V的值VS..所以当前的流过来二极管D.2并被视为消极。因此输出电压VO.总是正的,输出电流IO.这里总是消极的。我们可以看到CH的操作2只不过是B等级的操作,我们可以在第二象限中操作斩波器。
我们可以得出结论,C型斩波器的操作是A型和类型-B斩波器的组合操作。这类砍刀适用于正向电动和前进制动操作。

        









































             
             
             
             

