一种晶闸管是四层3界P-N-P-n半导体由至少三个组成的设备P-n结,用作高功率操作的电气开关。它具有三个基本端子,即阳极,阴极和安装在装置的半导体层上的栅极。符号图和确定的基本电路图晶闸管的特征如下图所示,
晶闸管的V-I特征
从上面的电路图来看,我们可以看到阳极和阴极连接到电源电压通过负载。另一个二级供应eS.在栅极和阴极端子之间施加在开关S关闭时为正栅电流提供。
提供供应我们得到所需的晶闸管的V-I特征在下图中显示用于阴极电压V的阳极一种和阳极电流i一种我们可以从电路图中看到。对特征的详细研究表明,晶闸管具有三种基本的操作模式,即反向阻塞模式,正向阻塞(偏离状态)模式和正向传导(在状态)模式。在下面的细节中讨论,以了解整体晶闸管的特征。
晶闸管的反向阻挡模式
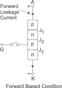
最初是为了晶闸管的反向阻挡模式,通过向阴极电源电压e提供电压E和栅极来使阴极与阳极相对于阳极进行正面。S.最初通过保持开关打开来分离。为了理解这种模式,我们应该研究第四象限,其中晶闸管是反向偏见的。
在这里连接J.1和J.3.逆转偏见,而Junction J2是偏见的。这里的晶闸管的行为类似于两个二极管的行为串联连接,施加跨越它们的反向电压。结果只有一个小泄漏当前的几个μamps流动的顺序。
这是晶闸管的反向阻挡模式或偏离状态。如果现在增加反向电压,则在特定电压下,称为临界击穿电压V布尔,雪崩发生在j1和J.3.并且反向电流迅速增加。与v相关的大电流布尔在SCR中产生更多损失,导致加热。随着结温可能超过其允许温度升高,这可能导致晶闸管损坏。因此,应该确保最大的工作反向电压晶闸管不超过v布尔。当晶闸管上施加的反向电压小于V时布尔,该器件在反向方向上提供非常高的阻抗。因此,反向阻挡模式中的SCR可以被视为开路。
前向阻止模式
现在考虑阳极相对于阴极是阳性的,门保持在打开状态。晶闸管现在被称为向前偏置,如下图所示。
我们可以看到连接器J.1和J.3.arenow向前偏见但结j2进入反向偏见的条件。在这种特定模式中,允许称为正向泄漏电流的小电流最初如图所示的晶闸管的特性所示。现在,如果我们继续增加正向偏置阳极到阴极电压。
在这种特殊模式中,晶闸管从阳极与阴极带有非常小的电流电压下降穿过它。通过超出前向断裂电压或通过在栅极和阴极之间施加栅极脉冲来从前向阻塞模式带来晶闸管以转发导通模式。在此模式下,晶闸管处于导通状态并表现类似于闭合开关。晶闸管中的电压降,尺寸为1至2 V,取决于某个点,然后反向偏置结j2将有一个雪崩崩溃在称为正向断裂的电压下电压VB0.晶闸管。但是,如果我们保持低于v的正向电压博,我们可以从晶闸管的特点看,该装置提供高阻抗。因此,即使在这里,晶闸管也可以在前向阻塞模式下作为开口开关运行。
前进传导模式
当阳极与阴极正向电压增加时,用栅极电路打开,反向结j2将在前进突破副电压v valanche故障博导致晶闸管打开。一旦晶闸管打开,我们就可以从图表中看到晶闸管的特征,点M一次朝向n偏移,然后在n和k之间的任何位置。这里nk表示晶闸管的前向传导模式。在这种操作模式中,晶闸管通过最小电压降进行最大电流,这被称为正向导通导通或晶闸管的开启模式。








