直流-直流转换器也被称为chopper。这里我们就来看看降压斩波或降压转换器将输入直流电压降低到指定的直流输出电压.
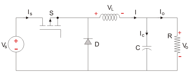
一个典型的降压转换器如下所示。
输入电压源与一个可控制的固态装置相连,该装置作为开关工作。固态器件可以是功率场效应晶体管或IGBT.晶闸管一般不用于DC-DC变换器,因为在DC-DC电路中关闭晶闸管需要另一个换相,这涉及到使用另一个晶闸管,而功率MOSFET和IGBT可以关闭,只需有一个功率MOSFET的栅极和源端之间的电压,或IGBT的栅极和集电极端子去零。
使用的第二个开关是a二极管.该开关和二极管连接到一个低通LC滤波器,该滤波器被适当地设计以减少当前的和电压波动。负载是一个纯电阻负载。
输入电压是恒定的,通过负载的电流也是恒定的。负载可以看作是电流源。
使用脉冲宽度调制(PWM)打开和关闭受控开关。PWM可以是基于时间的或基于频率的。基于频率的调制具有缺点,如宽范围的频率,以实现对开关的所需控制,这又提供所需的输出电压。这导致了用于处理大范围频率的低通LC滤波器的复杂设计。
基于时间的调制主要用于直流-直流转换器.它的构造和使用都很简单。频率在这种类型的PWM调制中保持不变。
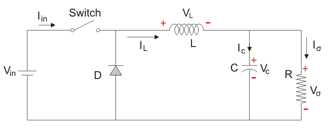
的巴克转换器有两种操作模式。第一种模式是当开关打开并传导时。
模式一:开关为ON,二极管为OFF
的电压在整个电容在稳态时等于输出电压。
我们假设开关开了一段时间T在并离开了一段时间T从.我们定义时间周期T为开关频率,
现在我们来定义另一个术语,占空比,
我们分析了Buck变换器稳态工作时的模态在任一瞬间.
由于开关关闭了一段时间T在我们可以说Δt = DT。
在对Buck变换器进行分析时,我们必须记住这一点
- 电感电流是连续的,这是通过选择一个适当的值L。
- 稳态电感电流在ON状态下从一个斜率为正的值上升到一个最大值,然后下降到一个斜率为负的初始值。因此,在任意一个完整周期内,电感电流的净变化量为零。
模式二:开关为OFF,二极管为ON
这里储存的能量电感器释放并最终在负荷中消散电阻,这有助于保持当前的通过负载。但是,对于分析,我们保留原始惯例来分析电路在任一瞬间.
让我们现在分析巴克转换器在稳定状态下运行模式II使用KVL。
因为开关打开了一段时间我们可以说Δt = (1- D)T。
我们已经确定,在任何一个完整的周期内,电感电流的净变化是零。
降压转换器的电路及其波形如下所示。
的电感L为20mH, C为100µF,电阻负载为5Ω。开关频率为1khz。输入电压为100V DC,占空比为0.5。
电压波形如图所示,电流波形如下图所示。










