DC-DC转换器也被称为斩。在这里,我们将看看降压升压转换器这可以作为DC-DC降压转换器或DC-DC升压转换器,这取决于占空比D.
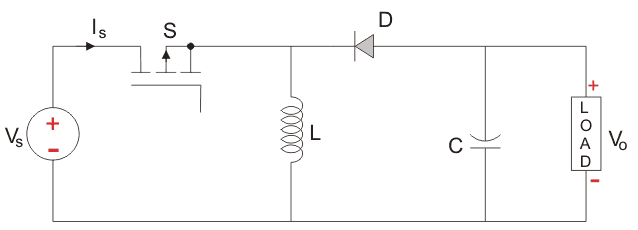
典型的降压 - 升压转换器如下所示。
输入电压源连接到固态设备。使用的第二个开关是一个二极管。二极管连接,反向从源的电力流向,到a电容器并且负载和两个并联连接,如上图所示。
使用脉冲宽度调制(PWM)打开和关闭受控开关。PWM可以是基于时间的或基于频率的。基于频率的调制具有缺点,如宽范围的频率,以实现对开关的所需控制,又将提供所需的输出电压。基于时间的调制主要用于DC-DC转换器。它易于构造和使用。在这种类型的PWM调制中,频率保持不变。
这降压升压转换器有两种操作模式。第一模式是开关开启和导通的模式。
模式i:开关已打开,二极管关闭
开关接通,因此表示理想地提供零的短路抵抗性流动当前的因此,当开关在所有电流上时,电流将流过开关和电感器并返回到DC输入源。这电感器在开关打开时存储电荷,当固态开关关闭电感器的极性反转时,电流流过负载并通过二极管并回到电感。因此,通过电感器的电流方向保持不变。
让我们说开关是一个时间t在并离开了一段时间T离开。我们定义了时间段,t,如和开关频率,
让我们现在定义另一个术语,占空比,
让我们分析降压升压转换器在使用此模式的稳态操作中kvl.。
由于开关关闭了时间t在= DT我们可以说Δt= dt。
在执行对Buct-Boost转换器的分析时,我们必须记住
- 电感电流是连续的,并且通过选择L的适当值可以实现这一点。
- 稳态的电感电流从带有正斜率的值升高到ON状态期间的最大值,然后用负斜率掉回到初始值。因此,在任何一个完整循环上的电感电流的净变化为零。
模式二:开关为OFF,二极管为ON
在该模式中,电感器的极性是反转的,并且存储在中的能量电感器被释放并最终在负载中消散抵抗性这有助于保持流动当前的在相同的方向通过负载并升级输出电压因为电感器现在也作为一个源与输入源一起。但在分析方面,我们保留了使用KVL分析电路的原始惯例。
现在让我们分析降压升压转换器在Mode II使用的稳态操作中kvl.。
由于开关打开了一次我们可以这么说
。
已经确定,在任何一个完整循环上的电感电流的净变化为零。
我们知道D在0到1之间变化。如果d> 0.5,则输出电压大于输入;如果D <0.5,则输出小于输入。但如果d = 0.5输出电压等于输入电压。
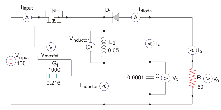
一种降压升压转换器的电路它的波形如下所示。
这电感,L,为50MH,C为100μF,电阻负载为50Ω。开关频率为1 kHz。输入电压为100 V DC,占空比为0.5。
电压波形如图所示,电流波形如下图所示。









