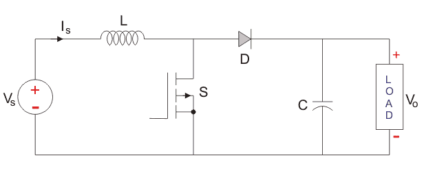
DC-DC变换器也称为直升机.这里我们就来看看步进斩波器或升压转换器将输入直流电压增加到指定的直流输出电压.一个典型的提高转换器如下所示。
输入电压源连接到电感器.作为开关工作的固态设备是通过电源连接的。使用的第二个开关是a二极管.二极管连接到a电容器,负载与两者并联,如图所示。
连接到输入源的电感导致一个恒定的输入当前的,因此Boost转换器被视为恒流输入源。负载可以看作是一个恒压源。利用脉宽调制(PWM)控制开关的开启和关闭。PWM可以是基于时间或基于频率的。基于频率调制的缺点是频率范围太广,以实现理想的开关控制,从而产生理想的输出电压.基于时间的调制主要用于直流-直流转换器.它易于构造和使用。在这种类型的PWM调制中,频率保持不变。的提高转换器有两种操作模式。第一种模式是当开关打开并传导时。
模式一:开关为ON,二极管为OFF
开关是ON,因此代表短路,理想提供零电阻到电流的流动所以当开关都在所有内容时当前的将通过开关流回直流输入源。我们假设开关开了一段时间T上并离开了一段时间T从.我们定义时间周期T为开关频率,
现在我们来定义另一个术语,占空比,
让我们分析一下Boost变换器在稳态运行时使用的这种模式在任一瞬间.
由于开关关闭了一段时间T上= DT我们可以说Δt = DT。
在对升压转换器进行分析时,我们必须记住这一点
- 电感电流是连续的,这是通过选择一个适当的值L。
- 稳态的电感电流从带有正斜率的值升高到ON状态期间的最大值,然后用负斜率掉回到初始值。因此,在任何完整周期上的电感器电流的净变化为零。
模式二:开关为OFF,二极管为ON
在这种模式下,极性电感器正好相反。储存在电感器中的能量被释放,并最终在负载中耗散电阻,这有助于保持当前的在相同的方向通过负载,也加大输出电压由于电感器现在也用作输入源作为源。但对于分析,我们将原始约定保留使用在任一瞬间.
让我们现在分析提高转换器在稳定状态下运行模式II使用KVL。
因为开关打开了一段时间我们可以说
.
我们已经确定,在任何一个完整的周期内,电感电流的净变化是零。
我们知道D在0和1之间变化。但是我们可以从上面的方程看到,如果D = 1,那么稳态时输出电压与输入电压的比值趋于无穷,这在物理上是不可能的。事实上,由于Boost变换器是一个非线性电路,在实际的Boost变换器中,占空比D如果保持在大于0.7的值将导致不稳定。一个Boost变换器的电路其波形如下所示。的电感L为20mH, C为100µF,电阻负载为20Ω。开关频率为1khz。输入电压为100V DC,占空比为0.5。
电压波形如图所示,电流波形如下图所示。









