的电压三相平衡系统的三相平衡系统如图- 1所示。
在地下高压和中压电缆网络中,总存在一个电容导体地球在每个阶段。因此,从相到地总是有电容性电流。在每一相中,电容电流比相应相电压超前900如图- 2所示。
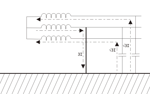
现在假设在系统的黄色阶段有一个接地故障。理想情况下,黄色相位的电压即黄色相位对地电压变为零。这样,系统的零点在黄色相位矢量的尖端移动,如下图-3所示。因此,电压在健康阶段(红色和蓝色)变成原来的3倍根号。
自然,每个健康相(红色和蓝色)对应的电容电流变成了下图-4中原来的&sqrt;3。
这两个电容电流的矢量和现在将是3I,其中I被认为是平衡系统中每相的额定电容电流。也就是说,在系统的健康平衡状态下,IR=我Y=
我B=我。
下面的图5说明了这一点,
这一合成电流然后流过错误的路径,到达地面如下所示。
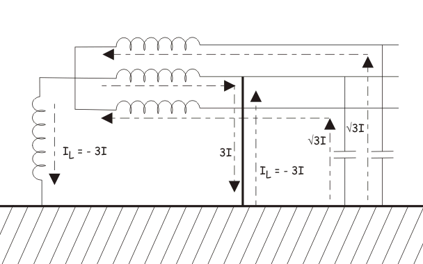
现在,如果我们连接一个合适的电感线圈电感系统星点或中性点与地之间的值(一般采用铁芯电感),情况将完全改变。在故障状态下当前的通过与通过故障路径的电容电流大小和相位相等且相反的电感器。感应电流也跟随系统的故障路径。容性电流和感性电流在故障路径上相互抵消,因此不会有任何由于地下电缆的容性作用而产生的通过故障路径的合成电流。理想的情况如下图所示。
这个概念最早是由W.彼得森在1917年实现的,这就是为什么电感线圈被用于这个目的,称为彼得森线圈。
地下电缆系统中故障电流的容性成分较高。当发生接地故障时,通过故障路径的此容性电流的大小是正常相对地容性电流的3倍以上。这将导致显著的过零偏移当前的远离零交叉电压在系统中。由于在接地故障路径中存在这种高容性电流,在故障位置将会发生一系列的重打击。这可能会在系统中导致不必要的过电压。
消弧线圈的电感被选择或调整到这样的值,使电感电流能准确中和电容电流。
计算三相地下系统消弧线圈的电感。
为此,让我们考虑电容之间导体地在系统的每一相,是C法拉。那么每一相的电容泄漏电流或充电电流就会是
因此,单相接地故障时通过故障路径的电容电流为
故障发生后,由于零点被移到故障点,星点会产生相位电压。因此,电压出现在电感器是Vph值.因此,归纳当前的通过线圈
现在,为了抵消电容电流值为3Il必须有相同的大小,但是180o电分开。因此,
当系统的设计或配置(长度和/或截面和/或绝缘的厚度和质量)改变电感线圈的大小要相应地调整。这就是为什么彼得森线圈经常提供抽头更换安排。










