双极结型晶体管的历史
这晶体管(BJT)不是前三个终端设备。在晶体管进入存在之前,使用真空管。在电子器件中,真空管三极管几乎使用了半个世纪BJT.托马斯爱迪生在1880年代早期发明的灯泡是任何电气应用的真空管的首次用途之一。真空管三极管用于各种计算机设计,直至1950年代早期。但主要问题是,随着电路的复杂性增加,需要纳入越来越多的缩放。在那些日子里,大型电脑将有许多装满管的机架,几乎占用了一个大房间。尺寸不是唯一的问题,管消耗大功率,有时会泄漏,因此不太可靠。
因此,科学家和工程师开始思考如何制造其他的三端终端设备。所以他们不再在真空中控制电子而是开始想办法在固体材料中控制它。1947年,在贝尔实验室工作的两位物理学家约翰·巴丁和沃尔特·布拉顿发现,通过使两个点接触非常接近,他们实际上可以制造一个三终端设备。因此,第一个点接触晶体管是用锗、曲别针和剃须刀片制成的。
下图显示了相同的副本。比震惊地通过压在一起的不同的薄片开发了结晶体管(BJT)半导体材料。晶体管更换了真空管,并在电子世界中进行了戏剧性的变化。Bardeen和Brattain与William Shockley在1956年由诺贝尔物理奖有角色,用于晶体管效应。很多年了晶体管以1950年代后期为单独的组件制造,之后集成电路将所有元件放在一个芯片上的集成电路应运而生。这只是无尽的一部分BJT的历史.
双极结晶体管的应用
有两种类型的双极结晶体管的应用,切换和放大。
晶体管作为开关
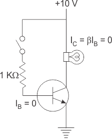
对于切换应用,晶体管被偏置以在饱和度或截止区域中操作。截止区域中的晶体管将充当开放式切换,而饱和度将充当闭合开关。
打开开关
在截止区域(两个连接点偏转)电压穿过CE交界处非常高。输入电压为零,因此基础和集电极电流都为零,因此反抗由BJT US非常高(理想的无限)提供。
关闭开关
在饱和度(两个结是正向偏置的情况下)将高输入电压施加到基座上。调整基电阻的值,使得大基电流流动。有一个小的电压下降在收集器中,发射极交界处为0.05至0.2V,集电极电流非常大。在跨越的一个非常小的电压下降BJT.可以说它等同于封闭开关。
以下是作为放大器
单级RC耦合CE放大器
该图显示了单级CE放大器。C1和c3.是耦合电容器,它们用于阻塞直流分量和只通过交流部分,它们还确保BJT的直流基础条件保持不变,即使在输入应用后。C2是旁路电容,增加电压增益并绕过r4.电阻器对于AC信号。
这BJT.使用必要的偏置组件在有源区偏置。Q点在活动区域中稳定晶体管.当输入应用如下所示的基础当前的开始上下变化,因此集电极电流也随I而变化C=β×iB..因此电压在R.3.随着收集器电流通过它而变化。r的电压3.放大的是180度吗O.除了输入信号。从而跨越r3.是耦合到负载而发生放大的。如果Q点保持在负载的中心,则波形失真很小或不会发生。CE放大器的电压增益和电流增益都很高(增益是电流电压从输入到输出增加的因素)。它通常用于无线电和低频电压放大器。
为了进一步增加增益多级放大器。它们通过连接电容器那电气变压器,R-L或直接耦合根据应用。整体收益是个别阶段的收益的产物。下图显示了两级CE放大器。










