安德森的桥梁
让我们了解为什么需要安德森的桥梁虽然我们有麦克斯韦桥和海氏桥测量电路的质量因数。使用海氏电桥和麦克斯韦电桥的主要缺点是不适合测量低质量因子。
然而,干草的桥梁和麦克斯韦桥都适用于精确测量高中和中等质量的因素。因此,需要桥梁可以测量低质量因子,而这座桥是改进的麦克斯韦桥和已知安德森的桥梁.
实际上,这座桥是修改的Maxwell电感电容桥.在这种桥梁中,通过固定值可以获得双重平衡电容改变的值电阻只要。
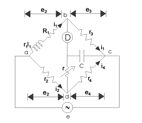
它以其测量的准确性而闻名电感器从几个微亨利到几个亨利。通过比较电阻和电容的比较方法测量自电感器的未知值。让我们考虑实际安德森桥梁电路图(见下图)。
在该电路中,未知电感器连接在具有电阻R的点A和B之间1(这是纯电阻)。
臂bc、cd和da由电阻r组成3.,R.4.和r2分别是纯电阻的。标准电容器与可变电阻R串联连接,该组合与CD并联连接。
A电源连接在b和e之间。
现在让我们推导出L的表达1和r1:
在平衡点上,我们有以下有效的关系:
现在等同于我们得到的电压下降,
施加我的价值C在上述等式中,我们得到了
获得的上述等式(7)比在Maxwell桥梁中获得的更复杂。在观察上述方程面,我们可以轻松地说,更容易获得平衡的收敛,应该做出r的替代调整1和安德森的桥梁。
现在让我们看看我们如何通过实验获得未知电感的价值。起初设置了信号发生器频率在可听范围内。现在调整R.1并且r使得手机给出最小声音。
测量r的值1r(在这些调整后获得)的帮助万用表.使用我们上面得出的公式以找出未知的值电感.可以用标准电容器的不同值重复该实验。
安德森桥的相位图
让我们标记电压降AB,BC,CD和AD AS E1,E.2,E.3.和e4.如上图所示。
在这里安德森桥的相位图,我们已经带走了我1作为参考轴。现在我C垂直于i1由于电容负载在EC,I4.和我2如图所示,通过某种角度呈现。
现在所有得到的电压下降的总和即,即1,E.2,E.3,和e4.等于E,在相量图中示出。如图所示安德森桥的相位图电压的结果降低了1(r.1+ r1) 和我1。ω.l1(其垂直于i1)是E.1.e2由我提供2.r.2它与参考轴构成角度'a'。
同样,E.4.能通过电压降I得到吗4..r.4.这是用参考轴制造角度'b'。
安德森大桥的优势
- 与低质量因子线圈的情况相比,与Maxwell桥相比,在Anderson的桥梁中获得平衡点非常容易。
- 不需要可变标准电容,而不是薄的固定值电容器。
- 该桥还提供了在电感方面确定电容的准确结果。
安德森桥的缺点
- 与麦克斯韦电桥相比,这种电桥中电感的计算公式更为复杂。
- 电容器结的添加增加了复杂性以及屏蔽桥的难度。
考虑到所有优点和缺点,麦克斯韦桥都是首选安德森的桥梁每当允许使用可变电容器时。






