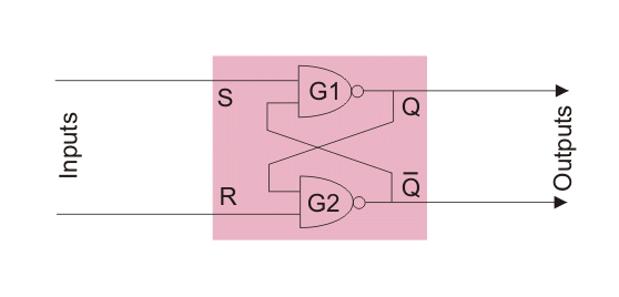
什么是活跃的低SR闩锁?
一个活跃的低位SR闩锁(或有效的低SR触发器)是一种类型闩锁当s = 0(低)时设置为。通常使用有效的低SR锁存器进行设计NAND盖茨。SR锁存器的逻辑电路如下所示。
在上面的逻辑电路中,如果s = 0和r = 1,则q成为1.让我们解释如何。
- 当至少一个输入为0时,NAND门始终赋予输出1。
- 因此,当S被施加为0时,栅极G1等的输出是1,无论第二输入的条件如何
到门。
- 现在,Q是栅极G2的输入,因此G2的输入都变为1,因为R已经是1.所以G2的输出现在
或0。
- 所以无论Q的先前条件如何,它总是变成Q = 1
= 0时s = 0和r = 1.这被称为锁存器的设置条件。
在上面的逻辑电路中,如果s = 1和r = 0,则q变为0.让我们解释如何。
- 正如我们所说的那样,当至少一个输入为0时,NAND门始终会给输出1。
- 因此,当r被施加为0时,栅极g2的输出I.。
1,无论将第二输入Q到栅极的条件如何。
- 所以无论什么可能是以前的条件
,它始终变为1,然后将该1馈回栅极G1的输入。本前S已经是1,G1的两个输入都是1.因此,G1的输出为0.如此Q = 0和
= 1何时,s = 1和r = 0.这称为锁存器的复位条件。
在上述逻辑电路中,如果s = 1并且r = 1,则q与它保持相同。让我们解释如何。
- 首先假设Q先前是1。
- 现在G2的两个输入为1,为r = 1和q = 1.所以g2的输出。
是
或0。
- 现在G1的输入为1和0,如r = 1和
= 0.所以g1的输出是q的
或1.
- 现在假设Q先前是0。
- 现在G2的输入为1和0,为r = 1和q = 0.因此g2的输出。
是
或1.
- 现在,G1的两个输入都是S = 1和1
= 1.所以G1的输出是Q是
或0。
- 因此,证明Q与Q相同,何时,S = 1以及r = 1。
在上面的逻辑电路中,如果s = 0并且还r = 0,则q的条件是完全不可预测的。让我们解释如何。
- 首先假设Q先前是0。
- 现在G2的两个输入为0,为r = 0和q = 0.因此g2的输出。
是
或1.
- 现在G1的输入为0和1,为s = 0和
= 1.所以G1的输出是Q是
或者1.这意味着q改变。
- 现在Q是1.所以G2的输入为0,为r = 0和q = 1.所以g2的输出。
是
或1.这意味着
没有变化。
- 现在G1的输入为0和1,为s = 0和
= 1.所以G1的输出是Q是
或者。这意味着q不变。
因此,当S和R都是0时,它变得不可预测的输出Q的值是否会改变或不变。这种条件s锁定通常避免。
活跃低级SR锁定真理表
这真相表对于有效的低SR触发器(即SR锁存器)已显示在下表中。
还有d闩锁那JK拖鞋, 和门控SR闩锁。您可以通过查看我们的全部列表了解有关有效的低SR触发器和其他逻辑门的更多信息逻辑盖茨问题。


到门。
或0。
或1.
或1.
或者1.这意味着q改变。



